- Điện trở xả vỏ nhôm
- Mã sản phẩm: Điện trở xả vỏ nhôm
+ Xuất xứ: Trung Quốc.
+ Là dòng điện trở chất lượng cao vỏ nhôm, tản nhiệt nhanh.
+ Ứng dụng: Làm điện trở xả cho biến tần, Servo...
+ Chất lượng: Bền, đẹp, tản nhiệt nhanh hơn nhiều so với điện trở sứ cùng loại.
+ Dải công suất: từ 80W - 10000W.
+ Giá thành: Cao hơn so với các loại điện trở vỏ sứ cùng loại.- Giá: Liên hệ
- THÔNG TIN SẢN PHẨM
- Đặc tính kỹ thuật
- Ứng dụng
1. Các loại điện trở xả vỏ nhôm có sẵn hàng.
- Loại công suất 80W: 40Ω, 60Ω, 100Ω, 250Ω, 750Ω.
- Loại công suất 100W: 20Ω, 80Ω, 200Ω, 250Ω, 500Ω, 750Ω.
- Loại công suất 150W: 750Ω.
- Loại công suất 180W: 40Ω.
- Loại công suất 200W: 40Ω, 120Ω, 250Ω, 400Ω.
- Loại công suất 300W: 7Ω, 12Ω, 50Ω, 70Ω, 100Ω, 150Ω, 180Ω, 250Ω, 400Ω.
- Loại công suất 400W: 33Ω, 150Ω, 200Ω.
- Loại công suất 500W: 30Ω, 40Ω, 100Ω, 150Ω, 250Ω, 300Ω.
- Loại công suất 600W: 40Ω.
- Loại công suất 800W: 150Ω.
- Loại công suất 1000W: 20Ω, 50Ω, 70Ω, 75Ω, 100Ω.
- Loại công suất 1200W: 100Ω.
- Loại công suất 1500W: 30Ω, 50Ω, 100Ω.
- Loại công suất 1600W: 75Ω.
- Loại công suất 2000W: 40Ω, 50Ω, 60Ω, 70Ω, 100Ω.
- Loại công suất 2400W: 8Ω.
- Loại công suất 3000W: 6Ω, 8Ω, 10Ω, 20Ω, 30Ω, 50Ω, 70Ω, 200Ω.
2. Kích thước điện trở vỏ nhôm.

|
KÍCH THƯỚC ĐIỆN TRỞ VỎ NHÔM (MM) |
||||
|
Điện Trở |
L |
L3 |
B |
H |
|
80W |
100 |
80 |
40 |
20 |
|
100W |
115 |
95 |
40 |
20 |
|
180W |
185 |
165 |
40 |
20 |
|
200W |
165 |
145 |
60 |
30 |
|
300W |
215 |
195 |
60 |
30 |
|
400W |
265 |
225 |
60 |
30 |
|
500W |
285 |
265 |
60 |
30 |
|
800W |
300 |
280 |
60 |
30 |
|
1000W |
330 |
310 |
60 |
30 |
|
1000W |
400 |
380 |
50 |
107 |
|
1200W |
420 |
400 |
60 |
30 |
|
1200W |
400 |
380 |
50 |
107 |
|
1500W |
420 |
400 |
60 |
30 |
|
1500W |
400 |
380 |
50 |
107 |
|
1600W |
400 |
380 |
50 |
107 |
|
2000W |
400 |
280 |
50 |
107 |
|
2000W |
550 |
530 |
50 |
107 |
|
2400W |
550 |
530 |
50 |
107 |
|
3000W |
550 |
530 |
50 |
107 |
|
5000W |
700 |
680 |
50 |
100 |
|
6000W |
700 |
680 |
50 |
100 |
|
8000W |
900 |
880 |
50 |
100 |
|
10000W |
1000 |
980 |
50 |
100 |
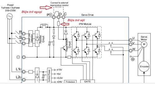
Sơ đồ trên là hình ảnh Điện trở xả ngoài và điện trở nội, cấu tạo nguyên lý chung của biến tần.
Sơ đồ đấu nối điện trở xả vào biến tần:
– Ngõ vào điện áp của biến tần là R-S-T.
– Ngõ ra của động cơ là U-V-W.
– Điện trở xả không quy định cực nên chúng ta đấu vào 2 đầu nào cũng được, như Delta thì sẽ đấu vào B1, B2 (Cái náy chúng ta coi trên Catlogue của hãng biến tần đó),

Còn hãng Shihlin thì lại đấu bào +/P và PR:
Chú ý đấu phần trên của Điện trở xả (Điểm A và B) chứ không phải là 2 ốc lồi của điện trở như vậy sẽ ngắn mạch gây cháy cả biến tần, còn điện trở chúng ta có thể để bên hông tủ, trên nắp tủ .....

Cách tính giá trị điện trở, công suất trở
Cách mắc điện trở xả mắc song song nhiều điện trở xả:
– Điện trở (Ohm): 1/R tổng = 1/R1 + 1/R2 +….+ 1/Rn
– Công suất: P tổng = P1 + p2 +….+Pn
Cách mắc điện trở xả cho biến tần kiểu nối tiếp:
– Điện trở (Ohm) R tổng = R1 + R2 + R3 +….+ Rn
– Tính công suất: P tổng = P1 + P2 +….+ Pn
Chọn điện trở xả dựa vào yếu tố nào?
Trên thực tế, việc lựa chọn điện trở xả thường dựa trên 2 yếu tố chính là: Công suất điện trở xả (W) và giá trị điện trở (Ohm)
1/ Cách chọn công suất điện trở xả (W)
Công suất điện trở xả được chọn phải đảm bảo 2 yếu tố là tính năng kỹ thuật và hiệu quả kinh tế. Theo đó, cách chọn công suất điện trở xả chuẩn nhất là biến tần xả nhiều điện thì chọn công suất lớn và ngược lại để đảm bảo được yêu cầu về kinh tế.
Tuy nhiên, biến tần xả nhiều hay ít lại phụ thuộc vào tải của tùy từng ứng dụng.
Ví dụ:
– Tải nâng hạ cầu trục, vận thăng… (tải thế năng) thì động cơ sẽ làm việc như một máy phát điện. Khi hạ tải và khi hãm thì thời gian hạ tải lâu, do đó cần phải chọn loại điện trở xả có công suất lớn (công suất điện trở xả bằng 1/2 hoặc 2/3 công suất động cơ).
– Tải có thời gian hãm dài, quán tính lớn như máy quay li tâm, máy bện nhiều lô, máy vắt, các máy truyền động có bánh đà … Thì cần phải lưu ý chọn loạiđiện trở có công suất lớn.
2/ Cách chọn giá trị điện trở xả (Ohm)
Giá trị điện trở xả được quy định bởi thiết kế dòng hãm của từng hãng và từng loại biến tần. Theo đó, các hãng biến tần sẽ đưa ra giá trị MIN của điện trở (tức là liên quan dòng hãm max của biến tần ). Vì vậy, khi chọn giá trị điện trở thì phải chọn loại có giá trị lớn hơn hoặc bằng giá trị MIN của bảng tra theo hãng cung cấp.
Hiện nay, đa phần các hãng biến tần điều khiển xả theo nguyên lý PWM nên giá trị điện trở có thể chọn bằng 1,5 – 2 lần giá trị MIN của biến tần thì vẫn đảm bảo cho quá trình hãm. Đối với biến tần xả ít thì có thể chọn loại có giá trị điện trở cao hơn. Vì vậy, bạn không cần thiết phải chọn chính xác giá trị điện trở.
- BIẾN TẦN
- BỘ LẬP TRÌNH PLC
- PLC DELTA ĐÀI LOAN
- PLC DELTA DVP-SS2
- PLC DELTA DVP-SX2
- PLC DELTA DVP-SV2
- PLC DELTA DVP-SA2
- PLC DELTA DVP-SE
- PLC DELTA DVP-ES2
- PLC DELTA DVP-EC3
- MÔ ĐUN PLC DELTA
- HỖ TRỢ LẬP TRÌNH PLC DELTA
- PLC DELTA DVP-ES3
- PLC DELTA DVP-EH3
- PLC DELTA DVP-EX2
- PLC DELTA DVP-20PM
- PLC DELTA DVP-12SC
- PLC DELTA DVP-MC
- COMMUNICATION CONVERTER
- PLC MITSHUBISHI
- PLC XINJE
- PLC SIEMENS
- PLC OMRON
- PLC INVT
- PLC DELTA ĐÀI LOAN
- MÀN HÌNH HMI
- AC SERVO
- THIẾT BỊ HỖ TRỢ
- BỘ ĐIỀU KHIỂN NHIỆT ĐỘ
- ĐỘNG CƠ BƯỚC - STEP
- LÀM TỦ ĐIỆN PLC
- GIẢI PHÁP KỸ THUẬT
HMI DELTA DOP-110WS 10.1inch Ethernet
Giá: 8.000.000 vnđ
Driver động cơ bước DM860H
Giá: 1.500.000 vnđ
Biến tần Ihtek S100-2S0007N-A
Giá: 1.699.000 vnđ
BIẾN TẦN SLANVERT 0.75KW 220V HOPE65G0.75S2B
Giá: 1.650.000 vnđ
ĐỒNG HỒ NHIỆT ĐỘ DELTA DTK4848R12
Giá: 1.020.000 vnđ
HMI Delta kết nối PLC Delta DOP-DVP
Giá: 200.000 vnđ
Module Analog input 4AI 14Bit Delta DVP04AD-S2
Giá: 2.700.000 vnđ
Biến tần Shihlin SL3-021-0.4K 1 Pha 220V Công suất 0.4Kw
Giá: 1.580.000 vnđ
HMI Mitsubishi GS2107-WTBD-N
Giá: 4.090.000 vnđ
Bộ nguồn 24V 50W PMT-24V50W2BA
Giá: 220.000 vnđ
CÁP LẬP TRÌNH PLC MITSUBISHI USB-SC09-FX
Giá: 300.000 vnđ
HMI PROFACE PFXGP4402WADW-GP4402WW
Giá: 6.500.000 vnđ
Module Delta DVP16SP11T (8 ngõ vào + 8 ngõ ra Transistor)
Giá: 1.200.000 vnđ
Module Delta DVP16SP11R (8 ngõ vào + 8 ngõ ra Relay)
Giá: 1.200.000 vnđ
PLC Delta DVP16ES200T (8 in / 8 out Transistor)
Giá: 2.300.000 vnđ
HMI Delta DOP-103BQ 4.3 inch cơ bản
Giá: 2.100.000 vnđ
PLC Delta DVP12SA211T (8 in / 4 out Transistor)
Giá: 2.300.000 vnđ
PLC Delta DVP14SS211R (8 in / 6 out Relay) PLC Gía Rẻ
Giá: 1.450.000 vnđ
Động cơ bước 86HS085
Giá: 1.200.000 vnđ
HMI Delta kết nối PLC Mitsubishi DOP-FX
Giá: 200.000 vnđ
Biến tần Shihlin SL3-021-0.75K 1 Pha 220V Công suất 0.75Kw
Giá: 1.680.000 vnđ
Biến tần Delta VFD007M21A
Giá: 1.850.000 vnđ
Biến tần Shihlin 0.75Kw 1P 220V SS2-021-0.75K
Giá: 2.480.000 vnđ
HMI Delta DOP-107BV 7 inch cơ bản
Giá: 2.100.000 vnđ
PLC Delta DVP14SS211T (8 in / 6 out Transistor) PLC Gía Rẻ
Giá: 1.450.000 vnđ
BIẾN TẦN DELTA 0.75KW 220V VFD007EL21W-1 GIÁ TỐT NHẤT CO,CQ ĐẦY ĐỦ
Giá: 2.000.000 vnđ
Biến tần Shihlin SC3-021-0.75K 1 Pha 220V Công suất 0.75Kw
Giá: 1.950.000 vnđ
PLC Delta DVP28SA211T (16 in / 12 out Transistor)
Giá: 3.050.000 vnđ
HMI Delta DOP-110CS 10 inch cơ bản
Giá: 4.950.000 vnđ
Bộ lập trình PLC Delta DVP20SX211T 4AI/2A0 Xử Lý Analog
Giá: 4.100.000 vnđ
HMI MITSUBISHI GS2110-WTBD-N
Giá: 8.400.000 vnđ
Màn hình Delta TP04G-AS2 3inch
Giá: Liên hệ
BỘ ĐIỀU KHIỂN SERVO ASD-B3-0421-L 400W
Giá: 3.900.000 vnđ
Mô đun FX2N-16EX
Giá: 910.000 vnđ
PLC Delta DVP28SS211T (16 in / 12 out Transitor) Loại giá rẻ
Giá: 2.400.000 vnđ
CÁP LẬP TRÌNH PLC DELTA
Giá: 300.000 vnđ
BỘ SERVO DELTA B2 400W GIÁ RẺ
Giá: 7.000.000 vnđ
PLC Mitsubishi FX1S-20MR-001 (12 In / 8 Out Relay)
Giá: 1.900.000 vnđ
BỘ SERVO DELTA B2 750W GIÁ RẺ
Giá: 8.000.000 vnđ
ĐỘNG CƠ SERVO DELTA ECMA-C20604RS 400W
Giá: 4.000.000 vnđ
Biến tần Janson Control FC110-4T-0.75G
Giá: 100 vnđ
HMI DELTA DOP-107CV 7inch 2 cổng COM Độc lập
Giá: 3.900.000 vnđ
BỘ SERVO DELTA B2 1KW GIÁ RẺ
Giá: 12.000.000 vnđ
HMI DELTA DOP-107DV 7inch Ethernet Delta
Giá: 3.500.000 vnđ
BỘ SERVO DELTA B2 1.5KW GIÁ RẺ
Giá: 15.000.000 vnđ
ECMA-C20807RS
Giá: 5.000.000 vnđ
BỘ SERVO DELTA B2 2KW GIÁ RẺ
Giá: 18.000.000 vnđ
HMI DELTA DOP-107WV 7inch Ethernet 2 Cổng COM độc lập
Giá: 5.900.000 vnđ
BỘ SERVO DELTA B2 3KW GIÁ RẺ
Giá: 28.000.000 vnđ
ĐỘNG CƠ SERVO DELTA ECMA-E21310RS 1KW
Giá: 8.622.000 vnđ
Cáp Servo Delta ASDA-B2/AB
Giá: 350.000 vnđ
ĐỘNG CƠ SERVO DELTA ECMA-E21315RS 1.5KW
Giá: 11.039.000 vnđ
HMI DELTA DOP-110IS 10.1inch Ethernet Cao cấp
Giá: 8.500.000 vnđ
ĐỘNG CƠ ECM-B3M-C20604SS1 400W CÓ THẮNG
Giá: 5.490.000 vnđ





















