- Biến tần Shihlin dòng SL3 GIÁ TỐT NHẤT THỊ TRƯỜNG
- Mã sản phẩm: Biến tần Shihlin dòng SL3
+ Công suất 220V: từ 0.4kw (1/2HP) đến 2.2kw(3HP)
+ Công suất 380V: từ 0.4kw (1/2HP) đến 2.2Kw(3HP)
+ Dùng cho tải nhẹ, bơm quạt, không dừng quá nhanh.
Liên hệ: 0902.590.312 (Mr. Hiến) GIÁ TỐT NHẤT
- Giá: Liên hệ
- THÔNG TIN SẢN PHẨM
- Đặc tính kỹ thuật
- Ứng dụng
Tính năng sản phẩm:
- Giao diện truyền thông kép Với hai loại giao diện RS485, người dùng có thể dễ dàng điều khiển nhiều thiết bị thông qua giao tiếp.
- Bảo vệ quá tải quá mức Quá mức bảo vệ hiện tại (OC) 260%; Vượt quá mức giới hạn hiện tại (LT) 220%, mang lại khả năng điều khiển mạnh mẽ hơn và tuổi thọ cao hơn.
- Tiết kiệm không gian, lắp đặt dễ dàng hơn Thiết kế nhỏ gọn, kích thước nhỏ hơn tất cả các mẫu trước đây. Lựa chọn giữa lắp đặt thanh ray và lắp đặt vít, tiết kiệm không gian lắp đặt hiệu quả

Bố cục trực quan và thao tác đơn giản
- Đầu vào nguồn điện ở phía trên và đầu ra động cơ ở phía dưới, giảm nguy cơ đấu dây sai.
- Bàn phím tích hợp với núm xoay VR, dễ dàng điều chỉnh tần số.
Giao diện truyền thông kép
Với hai loại giao diện RS485, người dùng có thể dễ dàng điều khiển nhiều thiết bị thông qua giao tiếp.


Dãy đo công suất:

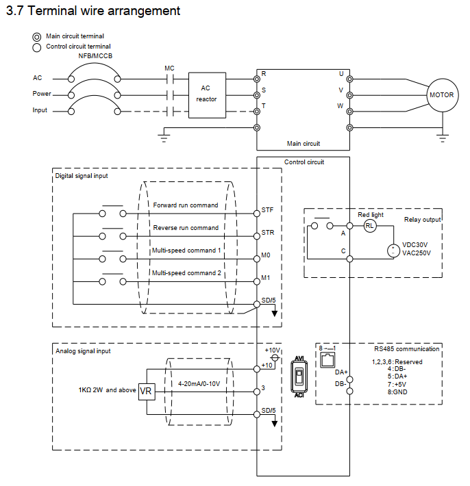
SƠ ĐỒ ĐẤU NỐI:

+ Công suất 220V: từ 0.4kw (1/2HP) đến 2.2kw(3HP)
+ Công suất 380V: từ 0.4kw (1/2HP) đến 2.2Kw(3HP)
+ Dùng cho tải nhẹ, bơm quạt, không dừng quá nhanh.
- BIẾN TẦN
- BỘ LẬP TRÌNH PLC
- PLC DELTA ĐÀI LOAN
- PLC DELTA DVP-SS2
- PLC DELTA DVP-SX2
- PLC DELTA DVP-SV2
- PLC DELTA DVP-SA2
- PLC DELTA DVP-SE
- PLC DELTA DVP-ES2
- PLC DELTA DVP-EC3
- MÔ ĐUN PLC DELTA
- HỖ TRỢ LẬP TRÌNH PLC DELTA
- PLC DELTA DVP-ES3
- PLC DELTA DVP-EH3
- PLC DELTA DVP-EX2
- PLC DELTA DVP-20PM
- PLC DELTA DVP-12SC
- PLC DELTA DVP-MC
- COMMUNICATION CONVERTER
- PLC MITSHUBISHI
- PLC XINJE
- PLC SIEMENS
- PLC OMRON
- PLC INVT
- PLC DELTA ĐÀI LOAN
- MÀN HÌNH HMI
- AC SERVO
- THIẾT BỊ HỖ TRỢ
- BỘ ĐIỀU KHIỂN NHIỆT ĐỘ
- ĐỘNG CƠ BƯỚC - STEP
- LÀM TỦ ĐIỆN PLC
- GIẢI PHÁP KỸ THUẬT
HMI DELTA DOP-110WS 10.1inch Ethernet
Giá: 8.000.000 vnđ
Driver động cơ bước DM860H
Giá: 1.500.000 vnđ
Biến tần Ihtek S100-2S0007N-A
Giá: 1.699.000 vnđ
BIẾN TẦN SLANVERT 0.75KW 220V HOPE65G0.75S2B
Giá: 1.650.000 vnđ
ĐỒNG HỒ NHIỆT ĐỘ DELTA DTK4848R12
Giá: 1.020.000 vnđ
HMI Delta kết nối PLC Delta DOP-DVP
Giá: 200.000 vnđ
Module Analog input 4AI 14Bit Delta DVP04AD-S2
Giá: 2.700.000 vnđ
Biến tần Shihlin SL3-021-0.4K 1 Pha 220V Công suất 0.4Kw
Giá: 1.580.000 vnđ
HMI Mitsubishi GS2107-WTBD-N
Giá: 4.090.000 vnđ
Bộ nguồn 24V 50W PMT-24V50W2BA
Giá: 220.000 vnđ
CÁP LẬP TRÌNH PLC MITSUBISHI USB-SC09-FX
Giá: 300.000 vnđ
HMI PROFACE PFXGP4402WADW-GP4402WW
Giá: 6.500.000 vnđ
Module Delta DVP16SP11T (8 ngõ vào + 8 ngõ ra Transistor)
Giá: 1.200.000 vnđ
Module Delta DVP16SP11R (8 ngõ vào + 8 ngõ ra Relay)
Giá: 1.200.000 vnđ
PLC Delta DVP16ES200T (8 in / 8 out Transistor)
Giá: 2.300.000 vnđ
HMI Delta DOP-103BQ 4.3 inch cơ bản
Giá: 2.100.000 vnđ
PLC Delta DVP12SA211T (8 in / 4 out Transistor)
Giá: 2.300.000 vnđ
PLC Delta DVP14SS211R (8 in / 6 out Relay) PLC Gía Rẻ
Giá: 1.450.000 vnđ
Động cơ bước 86HS085
Giá: 1.200.000 vnđ
HMI Delta kết nối PLC Mitsubishi DOP-FX
Giá: 200.000 vnđ
Biến tần Shihlin SL3-021-0.75K 1 Pha 220V Công suất 0.75Kw
Giá: 1.680.000 vnđ
Biến tần Delta VFD007M21A
Giá: 1.850.000 vnđ
Biến tần Shihlin 0.75Kw 1P 220V SS2-021-0.75K
Giá: 2.480.000 vnđ
HMI Delta DOP-107BV 7 inch cơ bản
Giá: 2.100.000 vnđ
PLC Delta DVP14SS211T (8 in / 6 out Transistor) PLC Gía Rẻ
Giá: 1.450.000 vnđ
BIẾN TẦN DELTA 0.75KW 220V VFD007EL21W-1 GIÁ TỐT NHẤT CO,CQ ĐẦY ĐỦ
Giá: 2.000.000 vnđ
Biến tần Shihlin SC3-021-0.75K 1 Pha 220V Công suất 0.75Kw
Giá: 1.950.000 vnđ
PLC Delta DVP28SA211T (16 in / 12 out Transistor)
Giá: 3.050.000 vnđ
HMI Delta DOP-110CS 10 inch cơ bản
Giá: 4.950.000 vnđ
Bộ lập trình PLC Delta DVP20SX211T 4AI/2A0 Xử Lý Analog
Giá: 4.100.000 vnđ
HMI MITSUBISHI GS2110-WTBD-N
Giá: 8.400.000 vnđ
Màn hình Delta TP04G-AS2 3inch
Giá: Liên hệ
BỘ ĐIỀU KHIỂN SERVO ASD-B3-0421-L 400W
Giá: 3.900.000 vnđ
Mô đun FX2N-16EX
Giá: 910.000 vnđ
PLC Delta DVP28SS211T (16 in / 12 out Transitor) Loại giá rẻ
Giá: 2.400.000 vnđ
CÁP LẬP TRÌNH PLC DELTA
Giá: 300.000 vnđ
BỘ SERVO DELTA B2 400W GIÁ RẺ
Giá: 7.000.000 vnđ
PLC Mitsubishi FX1S-20MR-001 (12 In / 8 Out Relay)
Giá: 1.900.000 vnđ
BỘ SERVO DELTA B2 750W GIÁ RẺ
Giá: 8.000.000 vnđ
ĐỘNG CƠ SERVO DELTA ECMA-C20604RS 400W
Giá: 4.000.000 vnđ
Biến tần Janson Control FC110-4T-0.75G
Giá: 100 vnđ
HMI DELTA DOP-107CV 7inch 2 cổng COM Độc lập
Giá: 3.900.000 vnđ
BỘ SERVO DELTA B2 1KW GIÁ RẺ
Giá: 12.000.000 vnđ
HMI DELTA DOP-107DV 7inch Ethernet Delta
Giá: 3.500.000 vnđ
BỘ SERVO DELTA B2 1.5KW GIÁ RẺ
Giá: 15.000.000 vnđ
ECMA-C20807RS
Giá: 5.000.000 vnđ
BỘ SERVO DELTA B2 2KW GIÁ RẺ
Giá: 18.000.000 vnđ
HMI DELTA DOP-107WV 7inch Ethernet 2 Cổng COM độc lập
Giá: 5.900.000 vnđ
BỘ SERVO DELTA B2 3KW GIÁ RẺ
Giá: 28.000.000 vnđ
ĐỘNG CƠ SERVO DELTA ECMA-E21310RS 1KW
Giá: 8.622.000 vnđ
Cáp Servo Delta ASDA-B2/AB
Giá: 350.000 vnđ
ĐỘNG CƠ SERVO DELTA ECMA-E21315RS 1.5KW
Giá: 11.039.000 vnđ
HMI DELTA DOP-110IS 10.1inch Ethernet Cao cấp
Giá: 8.500.000 vnđ
ĐỘNG CƠ ECM-B3M-C20604SS1 400W CÓ THẮNG
Giá: 5.490.000 vnđ




















